Каталог запасных частей к технике: МАЗ-504В. Система питания МАЗ-5429, МАЗ-509А, МАЗ-504В
1
1
1
1
2
3
4
5
6
7
8
9
9
9
10
11
12
12
13
14
15
16
17
18
18
20
21
22
23
24
25
26
27
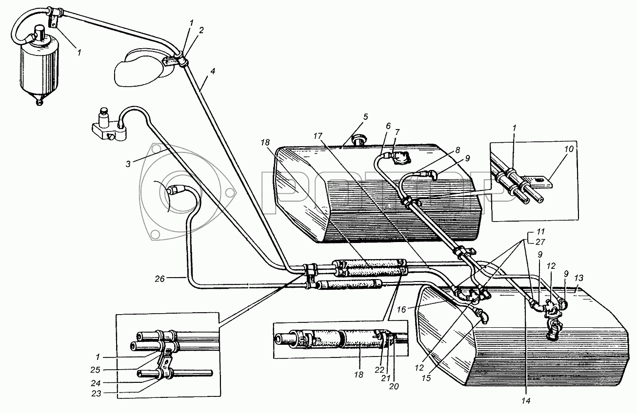
| Позиция на иллюстрации | Заводской номер детали | Название детали | Цена | |
|---|---|---|---|---|
| 201429-П29 | 201429-П29 | Болт | уточнить наличие | |
| 504В-1104607-Б | 504В-1104607-Б | Трубка топливная отводящая от фильтра задняя в сборе | уточнить наличие | |
| 509А-1104530 | 509А-1104530 | Трубка топливная отводящая от крана дополнительного топливного бака в сборе | уточнить наличие | |
| 5429-1104492-В | 5429-1104492-В | Трубка топливная всасывающая со шлангом в сборе | уточнить наличие | |
| 504В-1104492 | 504В-1104492 | Трубка топливная всасывающая со шлангом в сборе | уточнить наличие | |
| 509А-1104492 | 509А-1104492 | Трубка топливная всасывающая со шлангом в сборе | уточнить наличие | |
| 201422-П29 | 201422-П29 | Болт | 5 руб. | |
| 509А-1104513 | 509А-1104513 | Трубка топливная всасывающая от дополнительного топливного бака к крану в сборе | уточнить наличие | |
| 509А-1104495 | 509А-1104495 | Трубка топливная всасывающая задняя в сборе | уточнить наличие | |
| 250508-П29 | 250508-П29 | Гайка М6 | уточнить наличие | |
| 509А-1104586 | 509А-1104586 | Трубка топливная отводящая от фильтра со шлангом в сборе | уточнить наличие | |
| 5335-1104586 | 5335-1104586 | Трубка топливная отводящая от фильтра со шлангом в сборе | уточнить наличие | |
| 504В-1104586 | 504В-1104586 | Трубка топливная отводящая от фильтра со шлангом в сборе | уточнить наличие | |
| 500-1104621 | 500-1104621 | Шланг соединительный | уточнить наличие | |
| 252134-П2 | 252134-П2 | Шайба | уточнить наличие | |
| 5429-1104617 | 5429-1104617 | Трубка топливная отводящая от форсунок со шлангом в сборе | уточнить наличие | |
| 5429-1104586 | 5429-1104586 | Трубка топливная отводящая от фильтра со шлангом в сборе | уточнить наличие | |
| 1 | 500-1104540 | Втулка | уточнить наличие | |
| 2 | 379166-П29 | Кляммер | уточнить наличие | |
| 3 | 516А-1104494 | Трубка топливная всасывающая передняя в сборе | уточнить наличие | |
| 4 | 500А-1104587 | Трубка топливная отводящая от фильтра передняя в сборе | уточнить наличие | |
| 5 | 5335-1101010-01 | Бак топливный с фильтром | уточнить наличие | |
| 6 | 504В-1104513 | Трубка топливная всасывающая от дополнительного топливного бака к крану в сборе | уточнить наличие | |
| 7 | 314612-П29 | Штуцер ввертной | уточнить наличие | |
| 8 | 504В-1104530 | Трубка топливная отводящая от крана дополнительного топливного бака в сборе | уточнить наличие | |
| 9 | 379053-П29 | Угольник конечный | уточнить наличие | |
| 10 | 379242-П29 | Кляммер двойной | уточнить наличие | |
| 11 | 314708-П29 | Гайка соединительная | уточнить наличие | |
| 12 | 509-1104710-Б | Кран перепускной в сборе | уточнить наличие | |
| 13 | 5335-1101010-01 | Бак топливный с фильтром | уточнить наличие | |
| 14 | 504В-1104495 | Трубка топливная всасывающая задняя в сборе | уточнить наличие | |
| 15 | 379064-П29 | Угольник | уточнить наличие | |
| 16 | 509А-1104617 | Трубка топливная отводящая от форсунок со шлангом в сборе | уточнить наличие | |
| 17 | 509А-1104607 | Трубка топливная отводящая от фильтра задняя в сборе | уточнить наличие | |
| 18 | 500-1104498 | Шланг | уточнить наличие | |
| 19 | 500-1104498 | Шланг | уточнить наличие | |
| 20 | 297575-П29 | Шплинт | уточнить наличие | |
| 21 | 297580-П29 | Пряжка хомутика | уточнить наличие | |
| 22 | 297582-П29 | Лента стяжная | уточнить наличие | |
| 23 | 379224-П29 | Кляммер | уточнить наличие | |
| 24 | 500-1104541-Б | Втулка | уточнить наличие | |
| 25 | 379191-П29 | Кляммер | уточнить наличие | |
| 26 | 509А-1104617 | Трубка топливная отводящая от форсунок со шлангом в сборе | уточнить наличие | |
| 27 | 314802-П | Муфта конусная | уточнить наличие |
Ротор
Адрес центрального магазина в г. Красноярск
Северное Шоссе, 9 «Ж», стр.14
Запчасти для тракторной и сельскохозяйственной техники
Запчасти для отечественных грузовых и легковых автомобилей
Запчасти для импортных легковых автомобилей
Филиалы
Весь ассортимент товаров в ближайших городах
г. Канск
г. Минусинск
г. Усть-Кут







